首頁
産品設備
炭化設備
連續式炭化爐
煉油設備
全連續煉油設備
間歇式煉油設備
紙漿模塑設備
紙漿模塑餐盤機
蛋托機
解決方案
制炭
園林及木材加工廢棄物處理
木屑碳化爐
竹屑炭化爐
桉樹皮碳化爐
生物質顆粒碳化設備
麻杆炭化爐
杉木炭化爐
農業種植廢棄物處理
稻殼碳化設備
稭稈炭化設備
食品加工廢棄物處理
椰殼炭化
果殼炭化爐
酒糟碳化設備
甘蔗渣炭化設備
中藥渣炭化爐
新能源
電池負極材料預碳化
棕榈油加工廢棄物處理
棕榈殼炭化設備
碳彙
生物炭碳彙
能源代替
機制炭生産
活性炭
活性炭生産
金屬冶煉
工業矽冶煉木炭生産
其它
污泥碳化
煉油
工業危廢無害化處理
油泥處理
廢輪胎處理
廢舊輪胎煉油
廢塑料處理
廢塑料煉油
紙漿模塑
養殖及農業産品包裝加工
蛋托機
餐具及工包産品加工
環保紙塑餐具設備
成功案例
煉油設備案例
炭化設備案例
分選設備案例
紙漿模塑案例
新聞中心
公司新聞
行業新聞
視頻中心
車間實拍
設備工藝流程
客戶現場
公司活動
常見問題
綜合類-FAQ
炭化設備-FAQ
煉油設備-FAQ
分選設備-FAQ
紙漿模塑-FAQ
服務支持
關于我們
公司簡介
企業文化
發展曆程
企業榮譽
全球用戶
加入我們
聯系我們
聯系方式
在線留言
我要投訴
搜索
18569982039
首頁
産品設備
炭化設備
煉油設備
紙漿模塑設備
解決方案
園林及木材加工廢棄物處理
農業種植廢棄物處理
食品加工廢棄物處理
新能源
棕榈油加工廢棄物處理
碳彙
能源代替
活性炭
金屬冶煉
其它
工業危廢無害化處理
廢輪胎處理
廢塑料處理
養殖及農業産品包裝加工
餐具及工包産品加工
成功案例
煉油設備案例
炭化設備案例
分選設備案例
紙漿模塑案例
新聞中心
公司新聞
行業新聞
視頻中心
車間實拍
設備工藝流程
客戶現場
公司活動
常見問題
綜合類-FAQ
炭化設備-FAQ
煉油設備-FAQ
分選設備-FAQ
紙漿模塑-FAQ
關于我們
公司簡介
企業文化
發展曆程
企業榮譽
全球用戶
加入我們
聯系我們
聯系方式
在線留言
我要投訴
産品概述
優勢特點
生産工藝
設備參數
設備部件
項目方案
技術支持
猜你關心
相關案例
|
間歇式煉油設備
間歇式煉油設備平均18-24小時完成一個周期的煉油工作,先是向主爐内填充原料,然後給主爐加熱開始煉油,煉油完成後,進行出渣等,這就完成一個周期。間歇式煉油設備有多種進料方式可選,不同進料方式對原料預處理要求不同,可按需選擇來搭配預處理設備。間歇式煉油設備日處理量從1-20噸有多種型号設備可選,可以用來處理廢舊輪胎、廢塑料和含油污泥等。
模塊化
按需定制
燃氣回用
電話咨詢>
産品特點與優勢
處理量0.5-30噸 多型号可選
間歇式煉油設備有多種設備型号,滿足不同的處理量需求,可按需選擇
主爐材質可選
主爐材質可選
間歇式煉油設備可根據處理原料的工藝環境要求,選擇Q245R、304不鏽鋼、310S不鏽鋼等不同主爐材質
安裝便捷
安裝便捷
間歇式煉油設備有撬裝式結構(小型設備)、三合一模塊設計等,簡化現場安裝
多種進料方式可選
多種進料方式可選
間歇式煉油設備可定制反應釜爐門尺寸和形狀,滿足直接進料、螺旋進料、液壓進料等多種進料需求,提供更多樣化、更便捷的進料方式
一體化解決方案
一體化解決方案
我們提供間歇式煉油預處理設備-熱解設備-油品蒸餾-後端加工,全流程生産線方案提供
處理量0.5-30噸 多型号可選
|
環保生産工藝
工藝動畫視頻
百特環保品牌保證
尾氣處理達标
工序流程圖
原料預處理
進料
熱解
出炭黑
煉油設備參數
型号
BLJ-16
BLL-30
處理量(噸/天)
12-16
30-35
工藝方式
間歇式
連續式
原材料
廢塑料、廢舊輪胎、油泥等
主爐尺寸
直徑2.8長7.1米
直徑1.8長18.5米
主爐材質
Q345R
310S不鏽鋼
驅動系統
500減速機+7.5kw電機
ZQH650-50減速機+15kw變頻電機
結構
卧式回轉
供熱燃料
燃料油(包括輪胎/塑料裂解油)、天然氣、液化石油氣、柴油等。
燃燒器
2台*40萬大卡
每套配250萬大卡
設備功率(千瓦)
55.6
256
占地大小
33*13*8米
70*20*10米
運輸重量
約34.5噸
約150噸
工作壓力
微正壓
微負壓
噪聲(分貝)
≤60
間歇式煉油設備部件介紹
間歇式煉油設備由引風機、煙道冷凝器、排燒室、汽包和渣油罐、三合一冷凝器、出料系統、驅動系統、裂解主爐、液壓進料機構、除塵塔等幾部分組成
相關項目方案
BLJ-16間歇煉油設備+人工進料+BZL-6卧式蒸餾
方案日期:2023.05.06
查看詳情
定制外觀BLJ-16間歇煉油設備+立式冷凝+螺旋進料
方案日期:2023.07.05
查看詳情
BLJ間歇煉油設備+立式冷凝+螺旋進料
方案日期:2023.05.06
查看詳情
查看更多>
我們的技術支持
客戶工廠設計
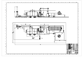
設備布局圖
設備基礎圖
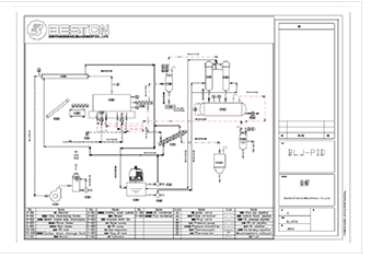
PID流程圖
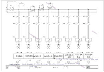
電氣制圖
3D布局效果圖
安裝時間表
安裝手冊
操作手冊
維護手冊
你可能還關心
間歇式煉油設備環評能過嗎 間歇式廢輪胎煉油設備缺點
間歇式煉油設備環評能辦下來嗎?很多人現在都在擔心這個,據我們了解,目前确實比較多的地方已經不太審批這種間歇式煉油設備的項目,尤其是2020年之後。現在的政策雖然沒有明确說...
[查看詳細]
BLJ-16間歇煉油設備+人工進料+BZL-6卧式蒸餾
...
[查看詳細]
煉油設備對原材料的水分有要求嗎
對于人工進料,液壓進料,輪胎直徑和塑料包塊小于1.2m都可以直接進料;...
[查看詳細]
廢輪胎煉油設備怎麽出渣出鋼絲
如果是處理鋼絲胎,出渣出鋼絲則分爲兩種情況: 一、整胎或套胎含主鋼絲進料處理時,常溫或者高溫先出炭黑;然後打開主爐大門出鋼絲。由于熱解過程中爐體不停轉動,因此鋼絲會纏繞在...
[查看詳細]
定制外觀BLJ-16間歇煉油設備+立式冷凝+螺旋進料
...
[查看詳細]
相關案例
智利BLJ-16廢輪胎煉油設備
安裝年份:2023 處理量:15噸廢輪胎/天
查看詳情
印尼16噸廢舊輪胎煉油設備發貨
安裝年份:2021 處理量:15噸左右/天
查看詳情
南非BLJ-3廢塑料煉油設備
安裝年份:2023年 處理量:0.5-1噸/天
查看詳情
查看更多>
爲什麽選擇我們
生産工序機械化程度高、質量穩定可靠
通過多項資質認證,品牌企業值得信賴
重視技術研發、創新賦能用戶
市場覆蓋海内外、設備符合多國标準
百特環保(BESTON),期待與您的合作!
百特環保(BESTON),
期待與您的合作!
聯系我們>
關于我們
公司簡介
企業文化
發展曆程
企業榮譽
全球用戶
加入我們
産品設備
炭化設備
煉油設備
紙漿模塑設備
解決方案
園林及木材加工廢棄物處理
農業種植廢棄物處理
工業危廢無害化處理
廢輪胎處理
養殖及農業産品包裝加工
餐具及工包産品加工
成功案例
煉油設備案例
炭化設備案例
分選設備案例
紙漿模塑案例
新聞中心
公司新聞
行業新聞
視頻中心
車間實拍
設備工藝流程
客戶現場
公司活動
常見問題
綜合類-FAQ
炭化設備-FAQ
煉油設備-FAQ
分選設備-FAQ
紙漿模塑-FAQ
聯系電話:
18569982039(可點擊撥打)
公司地址:
河南省鄭州市二七區漓江路中國中部電子商務港A座
工廠地址:
河南省焦作市修武縣經濟技術開發區武源路18号
公司郵箱:
support@bestongroup.com
|法律聲明 | 隐私條款 | 版權所有 河南國立百特環保科技有限公司|
京ICP證000000号